CK-SDTCM210-120H-AL
A variety of combinations, and can achieve double rate, built-in coaxial light and other functions
Large aperture, high telecentricity, ultra-low distortion, and large depth of field, meeting high-end system requirements
Specifications
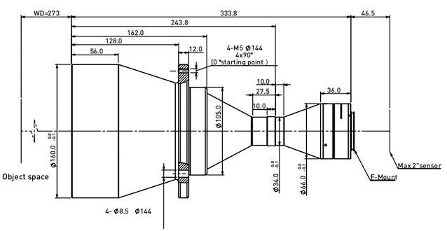
Dimensions
Downloads
Optical parameters
Field of View (Φ mm)
120
Magnification β(x)
0.275
Working distance (mm)
273±5
CCD size (Φmm)
33(2″)
F/#
7.8
MTF30(lp/mm)
>115
Depth of field (mm)
±8.5@F16
Image distortion (% max)
<0.1
Telecentricity (° max)
<0.1
Object distance I/O(mm)
653±5
Mechanical parameters
Camera Interface
F
Length of lens (mm)
333.8
Net weight (kg)
4.8
Field of View (mm x mm)
2″ DALSA 12M (24.58×18.43)
89.4×67.0
2″ PYTHON 25K (23.04×23.04)
83.8×83.8
In order to improve your browsing experience and continuously improve our service quality, we use cookies. By continuing to use our website, you agree to use cookies in accordance with our privacy policy
Accept