CK-SWWH20-110AT
Equipped with variable light bar specifications to achieve the best balance between resolution and depth of field
Widely used in high-precision visual positioning and other occasions
Specifications
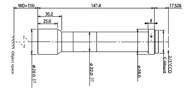
Dimensions
Downloads
Optical parameters
Magnification β (x)
2.0
Working distance (mm)
110±2
CCD size (Φmm)
11(2/3″)
F/#
18.2
Telecentricity (% max)
<0.1
Image distortion (° max)
<0.1
Numerical aperture NA
0.0536
Object resolution (um)
6.3
Object depth of field DoF (mm)
0.4
Mechanical parameters
Camera interface
C
Total lens length (mm)
147.4
Whether coaxial light / Dimmable bar
No/No
Viewable range (mm x mm)
1/2″(6.4×4.8)
3.2×2.4
1/1.8″(7.13×5.37)
3.6×2.7
2/3″(8.8×6.6)
4.4×3.3
In order to improve your browsing experience and continuously improve our service quality, we use cookies. By continuing to use our website, you agree to use cookies in accordance with our privacy policy
Accept