CK-SWWK0246-220-111
Built-in coaxial optical specifications are particularly suitable for wafers, glass devices, and display devices;
Can be quickly customized to meet different camera specifications, as well as magnification, working distance, and depth of field requirements.
Specifications
Dimensions
Downloads
Optical parameters
Magnification β(x)
0.246
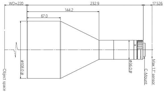
Working distance (mm)
220±3
CCD size (Φmm)
18.0(1.1″)
F/#
8
MTF30 (lp/mm)
>100
Object Depth of Field DoF(mm)
±5.3@F8
Image distortion (% max)
<0.1
Telecentricity (° max)
<0.13
Mechanical parameters
Camera interface
C
Overall lens length (mm)
232.9
Whether the coaxial light
No
Viewable range (mm x mm)
1″ IMX183 (13.13×8.76)
53.4×35.6
1.1″ IMX253 (14.19×10.38)
57.7×42.2
In order to improve your browsing experience and continuously improve our service quality, we use cookies. By continuing to use our website, you agree to use cookies in accordance with our privacy policy
Accept