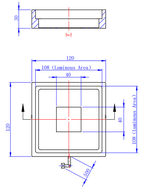
The CK-FPQ120-R is a square light source that emits uniformly diffused light at a low angle from four directions. It is suitable for square objects under inspection, enabling precise detection of edge contours and effectively preventing glare. Customization is available according to customer requirements.
| Model | CK-FPQ120-B |
| Color | Blud |
| Power | 6.3W |
| Wavelength/color temperature | 465-475nm |
| Storage Environment | Temperature:-20℃-60℃ |
| Operating Environment | Temperature:0℃-40℃ |
| Humidity | 20-85%RH(non-condensing) |
| Opional Accessories | Light Source Extension Cable: 3/5m |
| Adapter Controller | CK Series Digital light source controller |
