CK-SDTCM110-80H-AL
Supports various C-mount industrial cameras from 1/2.5″~1.1″
Large aperture, high telecentricity, ultra-low distortion, and large depth of field, meeting high-end system requirements
Specifications
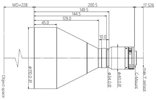
Dimensions
Downloads
Optical parameters
Field of View (Φ mm)
80
Magnification β(x)
0.208
Working distance (mm)
228±4
CCD size (Φmm)
16.6(1″)
F/#
6.5
MTF30(lp/mm)
>135
Depth of field (mm)
±14.8@F16
Image distortion (% max)
<0.1
Telecentricity (° max)
<0.1
Object distance I/O(mm)
446±4
Mechanical parameters
Camera interface
C
Total length of the lens (mm)
200.5
Net weight (kg)
1.9
Field of View (mm x mm)
1″ PYTHON 5000(12.43×9.83)
59.8×47.3
1″ IMX255(14.19×7.51)
68.2×36.1
1″ IMX183(13.13×8.76)
63.1×42.1
In order to improve your browsing experience and continuously improve our service quality, we use cookies. By continuing to use our website, you agree to use cookies in accordance with our privacy policy
Accept