CK-SDTCM230-64H-AL
Supports various C-mount industrial cameras from 1/2.5″~1.1″
Large aperture, high telecentricity, ultra-low distortion, and large depth of field, meeting high-end system requirements
Specifications
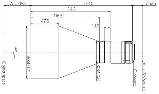
Dimensions
Downloads
Optical parameters
Field of View (Φ mm)
64
Magnification β(x)
0.178
Working distance (mm)
158±3
CCD size (Φmm)
11.4(2/3″)
F/#
4.9
MTF30(lp/mm)
>180
Depth of field (mm)
±13.9@F11
Image distortion (% max)
<0.1
Telecentricity (° max)
<0.1
Object distance I/O(mm)
348±3
Mechanical parameters
Camera interface
C
Overall length of lens (mm)
172.0
Net weight (kg)
0.8
Field of View (mm x mm)
1/1.8″ EV76C570 (7.2×5.4)
40.4×30.3
1/1.7″ IMX226 (7.5×5.6)
42.1×31.5
2/3″ IMX250/264 (8.45×7.1)
47.5×39.9
In order to improve your browsing experience and continuously improve our service quality, we use cookies. By continuing to use our website, you agree to use cookies in accordance with our privacy policy
Accept