CK-SDTCM430-42-M58-AL
A variety of combinations, and can achieve double rate, built-in coaxial light and other functions
Large aperture, high telecentricity, ultra-low distortion, and large depth of field, meeting high-end system requirements
Specifications
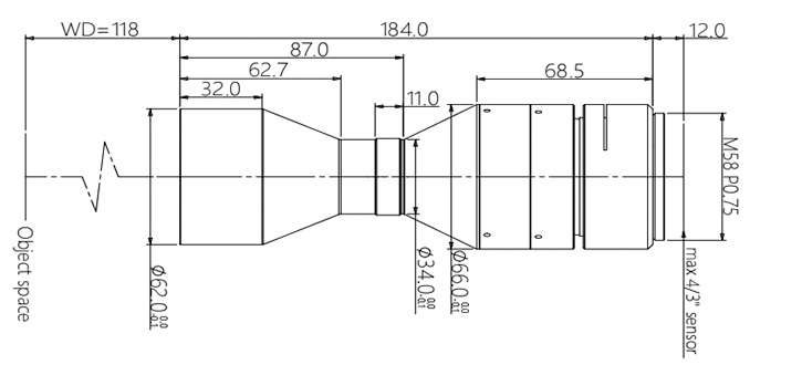
Dimensions
Downloads
Optical parameters
Field of View (Φ mm)
42
Magnification β(x)
0.571
Working distance (mm)
118±3
CCD size (Φmm)
24(4/3″)
F/#
9.4
MTF30(lp/mm)
>90
Depth of field (mm)
±2.4@F20
Image distortion (% max)
<0.1
Telecentricity (° max)
<0.1
Object distance I/O(mm)
314±3
Mechanical parameters
Camera interface
M58
Overall length of lens (mm)
184.0
Net weight (kg)
0.9
Field of View (mm x mm)
4/3″ KEYENCE 21M (17.86×14.32)
31.3×25.1
4/3″ PYTHON 12K (18.43×13.82)
32.3×24.2
4/3″ CMV8000 (18.48×13.73)
32.4×24.0
In order to improve your browsing experience and continuously improve our service quality, we use cookies. By continuing to use our website, you agree to use cookies in accordance with our privacy policy
Accept